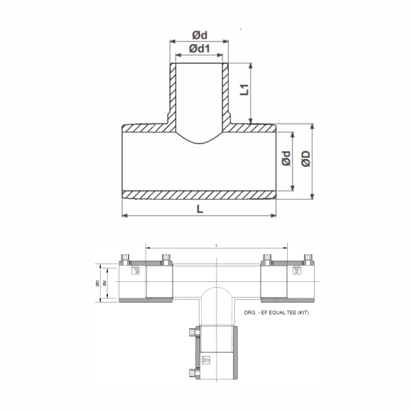
Rainson HDPE Electrofusion Tee is a pipe fitting used to join a pipe into three different directions. HDPE Electrofusion tees are used in engineering and construction and are used to join pipes. This fitting is an excellent choice used for assembling pipes. The use of electrofusion tees significantly reduce the time taken to join pipes, which helps in faster project completion. Moreover, this fitting is also very easy to install which saves the time of project. It is manufactured from high quality polyethylene making it resistant to breakage. This fitting is used to connect pipes by electrofusion welding method. HDPE Electrofusion Tee is certainly an excellent fitting that is less prone to breakage than other fittings and is capable of handling fluids with higher volumetric pressures.
| Product Code | Ød - SIZE (mm) | ØD (mm) | L (mm) | L1 (mm) |
|---|---|---|---|---|
| EFT63 | 63 | 82 | 163 | 63 |
| EFT75 | 75 | 96 | 182 | 69 |
| EFT90 | 90 | 113 | 202 | 80 |
| EFT110 | 110 | 135.5 | 246 | 89 |
| EFT125 | 125 | 151.6 | 279 | 97 |
| EFT140 | 140 | 168.1 | 308 | 102 |
| EFT160 | 160 | 186.6 | 346 | 108 |
| EFT180 | 180 | 212.8 | 362 | 109 |
| EFT200 | 200 | 234.5 | 387 | 112 |
| EFT225 | 225 | 257.1 | 447 | 120 |
| EFT250 | 250 | 286 | 579 | KIT |
| EFT280 | 280 | 330 | 680 | KIT |
| EFT315 | 315 | 372 | 700 | KIT |
| EFT355 | 355 | 355 | 411 | KIT |
| EFT400 | 400 | 463 | 855 | KIT |