Rainson HDPE Spigot Tail Piece is a crucial pipe fitting used in High-Density Polyethylene (HDPE) piping systems. This specialized component serves as an end connector, allowing for a secure and leak-free termination of the HDPE pipeline. The spigot end of the tail piece is designed to fit into the corresponding socket of an HDPE pipe, creating a reliable joint through heat fusion techniques. Made from high-quality HDPE material, the spigot tail piece exhibits excellent strength, chemical resistance, and UV resistance, ensuring its suitability for various applications, including water supply, wastewater management, industrial processes, and more. Its durable construction guarantees reliable performance and longevity in demanding environments.
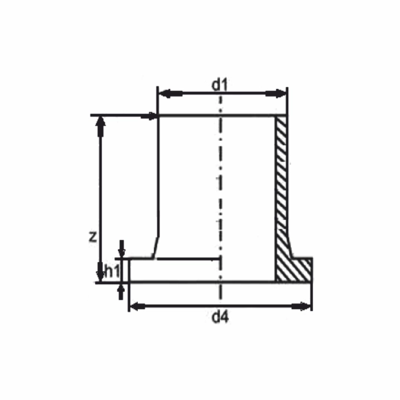
| d1 (mm) | Product Code | d4 (mm) | z (mm) | h1 (mm) |
|---|---|---|---|---|
| 63 | HTP63 | 100 | 94.5 | 14 |
| 75 | HTP75 | 119 | 121 | 16 |
| 90 | HTP90 | 135 | 136 | 17 |
| 110 | HTP110 | 155 | 155 | 18 |
| 125 | HTP125 | 174 | 152 | 19 |
| 140 | HTP140 | 194 | 155 | 20 |
| 160 | HTP160 | 214 | 161 | 22 |
| 180 | HTP180 | 243 | 166 | 24 |
| 200 | HTP200 | 268 | 172 | 24 |
| 225 | HTP225 | 272 | 200 | 28 |
| 250 | HTP250 | 331 | 214 | 29 |
| 280 | HTP280 | 334 | 231 | 31 |
| 315 | HTP315 | 385 | 230 | 33 |
| 355 | HTP355 | 430 | 230 | 33 |
| 400 | HTP400 | 482 | 233 | 33 |